
|
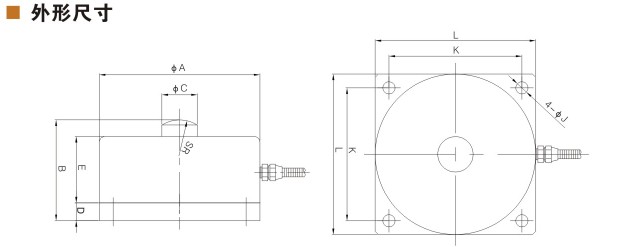
量程 |
ФA |
B |
ФC |
D |
E |
K |
L |
SR |
4-ФJ |
|
0.2-0.7T |
72 |
41 |
16 |
8 |
25 |
62 |
72 |
8 |
4.6 |
|
1-8T |
88 |
53 |
20 |
10 |
34 |
75 |
88 |
12 |
5.6 |
|
10T-15T |
114 |
70 |
25 |
13 |
46 |
95 |
114 |
25 |
6.5 |
|
20T-30T |
145 |
91 |
32 |
16 |
60 |
120 |
145 |
30 |
11 |
技术参数
|
参数 |
单位 |
技术指标 |
参数 |
单位 |
技术指标 |
|
灵敏度 |
mV/V |
2.0±0.05 |
灵敏度温度系数 |
≤%F·S/10℃ |
±0.03 |
|
非线性 |
≤%F·S |
±0.03 |
工作温度范围 |
℃ |
-20℃+80℃ |
|
滞后 |
≤%F·S |
±0.03 |
输入电阻 |
Ω |
750±20Ω |
|
重复性 |
≤%F·S |
±0.03 |
输出电阻 |
Ω |
700±5Ω |
|
蠕变 |
≤%F·S/30min |
±0.03 |
安全过载 |
≤%F·S |
150% F·S |
|
零点输出 |
≤%F·S |
±1 |
绝缘电阻 |
MΩ |
≥5000MΩ(50VDC) |
|
零点温度系数 |
≤%F·S/10℃ |
±0.03 |
推荐激励电压 |
V |
10V-15V |