|
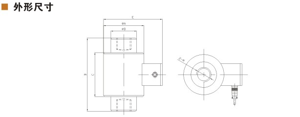
量程 |
ΦA |
ΦD |
B |
C |
2-M |
E |
|
5T-30t |
110 |
70 |
200 |
120 |
M40×3 |
140 |
|
50-100t |
155 |
115 |
324 |
200 |
M72×4 |
190 |
|
150-200t |
200 |
166 |
420 |
240 |
M110×6 |
240 |
|
250-300t |
238 |
190 |
500 |
280 |
M130×6 |
280 |
技术参数
|
参数 |
单位 |
技术指标 |
参数 |
单位 |
技术指标 |
|
灵敏度 |
mV/V |
1.0-1.5±0.05 |
灵敏度温度系数 |
≤%F·S/10℃ |
±0.1 |
|
非线性 |
≤%F·S |
±0.3 |
工作温度范围 |
℃ |
-20℃~+80℃ |
|
滞后 |
≤%F·S |
±0.3 |
输入电阻 |
Ω |
750±20Ω |
|
重复性 |
≤%F·S |
±0.15 |
输出电阻 |
Ω |
700±5Ω |
|
蠕变 |
≤%F·S/30min |
±0.3 |
安全过载 |
≤%F·S |
150% F·S |
|
零点输出 |
≤%F·S |
±1 |
绝缘电阻 |
MΩ |
≥5000MΩ(50VDC) |
|
零点温度系数 |
≤%F·S/10℃ |
±0.1 |
推荐激励电压 |
V |
10V-15V |