
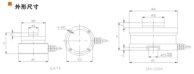
|
量程
|
A |
B |
C |
H |
J |
K |
|
2.2t |
49 |
20 |
60 |
43 |
- |
7.5 |
|
4.7t |
49 |
20 |
60 |
43 |
- |
7.5 |
|
10t |
75 |
30 |
75 |
50 |
7 |
6.5 |
|
15t |
75 |
30 |
75 |
50 |
7 |
6.5 |
|
22t |
75 |
30 |
75 |
50 |
7 |
6.5 |
|
33t |
95 |
40 |
95 |
65 |
7 |
10 |
|
47t |
130 |
60 |
130 |
75 |
7 |
14 |
|
68t |
130 |
60 |
130 |
85 |
7 |
14 |
|
100t |
150 |
70 |
150 |
90 |
7 |
16 |
|
150t |
150 |
70 |
150 |
100 |
7 |
16 |
|
220t |
225 |
100 |
225 |
130 |
10 |
24 |
|
330t |
225 |
100 |
225 |
145 |
10 |
24 |
技术参数
|
参数 |
单位 |
技术指标 |
参数 |
单位 |
技术指标 |
|
灵敏度 |
mV/V |
2.85±0.3% |
灵敏度温度系数 |
≤%F·S/10℃ |
±0.05 |
|
非线性 |
≤%F·S |
±0.05 |
工作温度范围 |
℃ |
-20℃~+80℃ |
|
滞后 |
≤%F·S |
±0.05 |
输入电阻 |
Ω |
1400±10Ω |
|
重复性 |
≤%F·S |
±0.03 |
输出电阻 |
Ω |
1400±50Ω |
|
蠕变 |
≤%F·S/30min |
±0.05 |
安全过载 |
≤%F·S |
150% F·S |
|
零点输出 |
≤%F·S |
±1 |
绝缘电阻 |
MΩ |
≥5000MΩ(50VDC) |
|
零点温度系数 |
≤%F·S/10℃ |
±0.05 |
推荐激励电压 |
V |
10V-15V |