
|
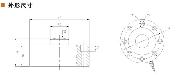
量程 |
ФA |
ФB |
ФC |
SR |
H |
H1 |
H2 |
ФD |
ФD1 |
|
50t |
148 |
124 |
45 |
50 |
88 |
70 |
15 |
4-Ф20 |
4-Ф13 |
|
60-80T |
178 |
145 |
55 |
100 |
85 |
65 |
15 |
8-Ф20 |
8-Ф13 |
|
100T |
208 |
176 |
60 |
100 |
95 |
75 |
20 |
8-Ф20 |
8-Ф13 |
|
200T |
260 |
210 |
90 |
200 |
110 |
90 |
22 |
8-Ф27 |
8-Ф17 |
技术参数
|
参数 |
单位 |
技术指标 |
参数 |
单位 |
技术指标 |
|
灵敏度 |
mV/V |
2.0±0.05 |
灵敏度温度系数 |
≤%F·S/10℃ |
±0.05 |
|
非线性 |
≤%F·S |
±0.05 |
工作温度范围 |
℃ |
-20℃~+80℃ |
|
滞后 |
≤%F·S |
±0.05 |
输入电阻 |
Ω |
750±20Ω |
|
重复性 |
≤%F·S |
±0.05 |
输出电阻 |
Ω |
700±5Ω |
|
蠕变 |
≤%F·S/30min |
±0.05 |
安全过载 |
≤%F·S |
150% F·S |
|
零点输出 |
≤%F·S |
±1 |
绝缘电阻 |
MΩ |
≥5000MΩ(50VDC) |
|
零点温度系数 |
≤%F·S/10℃ |
±0.05 |
推荐激励电压 |
V |
10V-15V |