
|
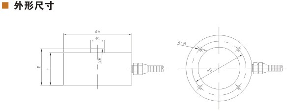
量程 |
ФA |
B |
H |
Ф1 |
ФD |
4-M |
SR |
|
50kg-5t |
51 |
25 |
20 |
10 |
42 |
M5 |
SR50 |
|
6-10t |
88 |
47 |
42 |
18 |
72 |
M6 |
SR150 |
技术参数
|
参数 |
单位 |
技术指标 |
参数 |
单位 |
技术指标 |
|
灵敏度 |
mV/V |
1.0~1.5±0.05 |
灵敏度温度系数 |
≤%F·S/10℃ |
±0.1 |
|
非线性 |
≤%F·S |
±0.5 |
工作温度范围 |
℃ |
-20℃~+80℃ |
|
滞后 |
≤%F·S |
±0.5 |
输入电阻 |
Ω |
350±50Ω |
|
重复性 |
≤%F·S |
±0.5 |
输出电阻 |
Ω |
350±5Ω |
|
蠕变 |
≤%F·S/30min |
±0.1 |
安全过载 |
≤%F·S |
150% F·S |
|
零点输出 |
≤%F·S |
±1 |
绝缘电阻 |
MΩ |
≥2000MΩ(50VDC) |
|
零点温度系数 |
≤%F·S/10℃ |
±0.1 |
推荐激励电压 |
V |
10V-15V |